HC-12 wireless RF UART communication module is a new generation of multi-channel embedded wireless data transmission module. The Radio frequency of 433.4 – 473.0MHz, can be setting a communication channel, step is 400kHz, a total of 100 channels. The module maximum transmit power is 100mW (20dBm), and -116dBm receiver sensitivity air of the 5000bps baud rate, communication distance about 500 meters.
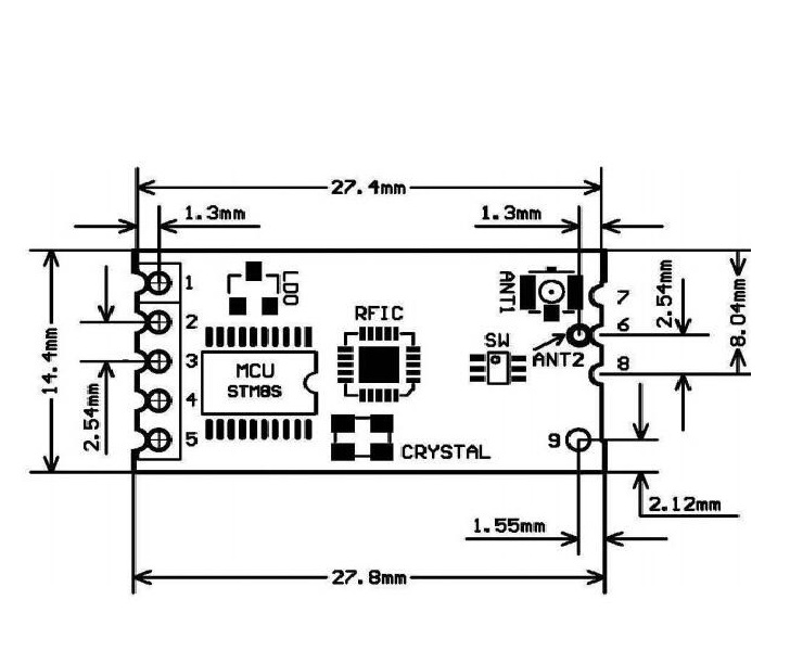
The module adopts a stamped hole encapsulation method, which can be welded. The module size is 27.4mm*13.2mm *4mm (including antenna seat, not including the spring antenna), which is convenient for the customer to be embedded in the application system. The module has a PCB antenna seat ANT1, users can use the coaxial cable, the use of 433MHz band external antenna.
The module also has antenna welding hole ANT2, convenient user welded spring antenna. The user can choose one kind of antenna according to the request. The module contains MCU, users do not need to program in addition, just send and receive
UART data. The module uses a variety of UART transmission mode, the user can choose
according to the requirements of the use of AT command. The four UART modes of FU1, FU2, FU3, FU4, the average operating current is 3.6mA, 80μA, 16mA and 16mA, the maximum operating current is 100mA (full power transmit state) HC12 Module is based on the SI4463 EZRadioPro family chip by SiLabs. This module offers a wireless data transmission and reception range of approximately 1 km in the open air. It’s a low power radio chip that is ultra-easy to use.
This module has an onboard STM8S003F3P6 MCU which is communicating with the SI4463 so that the user can communicate with the HC12 module using a simple TTL 2 wire serial interface (RX, TX, GND). If you are looking for cheaper RF modules, check this 434 Mhz RF Module.
Features
- IEEE 802.15.4g compliant
- Frequency range = 119–1050 MHz
- Receive sensitivity = –126 dBm
- Serial TTL (RX, TX, GND) interface
- Modulation (G)FSK, 4(G)FSK, (G)MSK, OOK
- Max output power +20 dBm
- Low active power consumption 10/13 mA RX, 18 mA TX at +10 dBm
- Ultra low current powerdown modes 30 nA shutdown, 50 nA standby
- Data rate = 100 bps to 1 Mbps
- Fast wake and hop times
- Highly configurable packet handler
- TX and RX 64 byte FIFOs
- Auto frequency control (AFC)
- Automatic gain control (AGC)
- Low BOM
- Low battery detector
- FCC Part 90 Mask D, FCC part 15.247, 15,231, 15,249, ARIB T-108, T-96, T-67, RCR STD-30, China regulatory
- ETSI Class-I Operation with SAW
Package Includes:
- 1 x HC-12 433 SI4463 Wireless Serial Module
| AVAILABILITY |
0 in stock |
|---|---|
| Main Category |
Wireless Communication |
| Sub Category |
RF Modules |
| Mini Category |
None |
| SKU |
gr00718 |
